Storage containers for flexible and safe storage
Storage containers in hot dip galvanised steel are the perfect solution when you want a secure and flexible storage solution at competitive prices. Our containers are weatherproof and built to be placed outside but of course they will also make up a perfect storage inside as well. The two double wing doors with lock and handle ensure secure and easy access to the container and make it possible to store even large objects. If you have the need to store various objects and materials, the containers will provide room for most things. An important feature is that our storage containers can be assembled and disassembled as needed. It will secure you all the room for storage you need at any given time. The containers can, of course, be transported with forklift truck or crane. In other words, with one or more of these functional containers, you have optimal storage and flexibility as the containers will only take up limited space when disassembled.
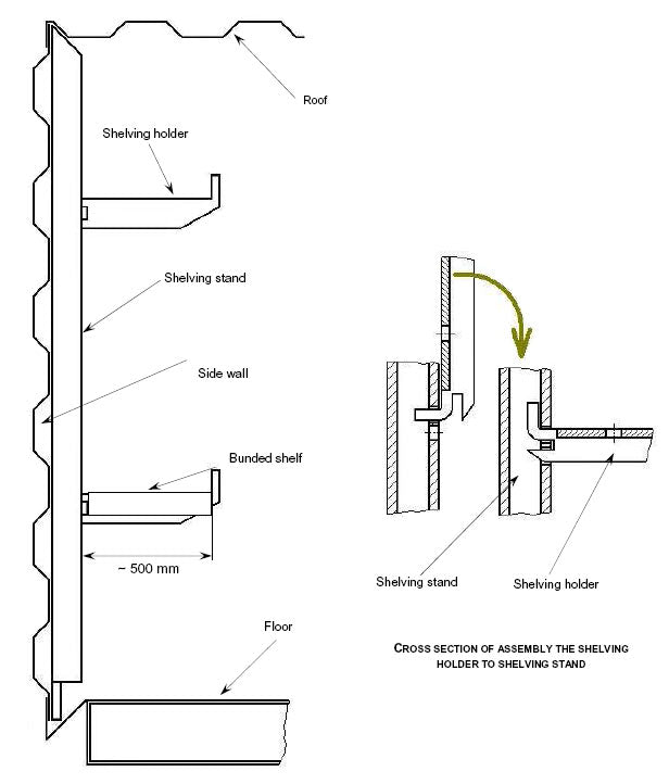
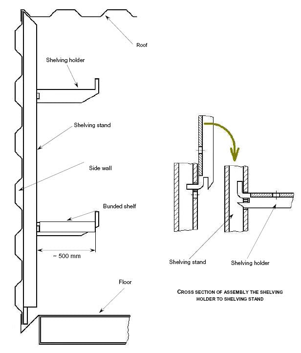
Environmental storage container with bunded floor
Companies having to store oil based and flammable materials have special demands when it comes to storing facilities. Our environmental storage containers meet these demands as they have a bunded floor to avoid chemical spillage and more. With a sturdy environmental storage container, it is guaranteed that your stored materials are stored securely in order to protect the environment.
Storage containers with special features
The storage containers from Dancover are available with various extra accessories that you can add if needed. You can purchase shelves, drive-in ramp, gas cylinder holder, vandal bar, forklift guides, and air grille. Please note that you need to mount and install the various accessories yourself – including cutting a hole for the air grille and mount it with four blind rivets!






















































